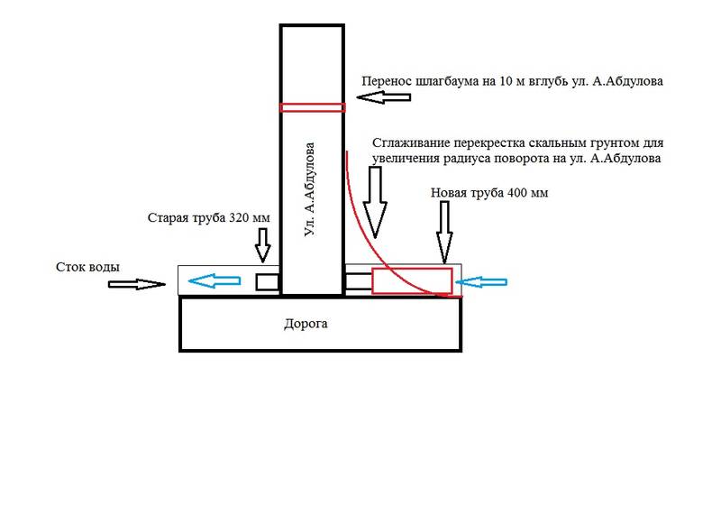
План работ
Огромное спасибо нашим садоводам-дачникам Ивану П., Александру П., Виктору Г. за большую помощь в ремонте перекрестка и переустановке шлагбаума.
Также, спасибо Михаилу П. за хорошо организованную работу по доставке скального грунта и гравия к месту ремонта.
И отдельное спасибо уже ушедшему в тот мир (надеюсь, что он услышит), - нашему доброму товарищу и бывшему председателю ДНТ "Ручеек" Тисанюк Василию Сергеевичу...
Оплата всех работ по ремонту перекрестка с ул. А.Абдулова была осуществлена без привлечения целевых взносов от членов товарищества, – а только за счет областных средств финансирования в виде оформленной субсидии по результатам наших ранее выполненных работ по инженерному обеспечению товарищества.



















